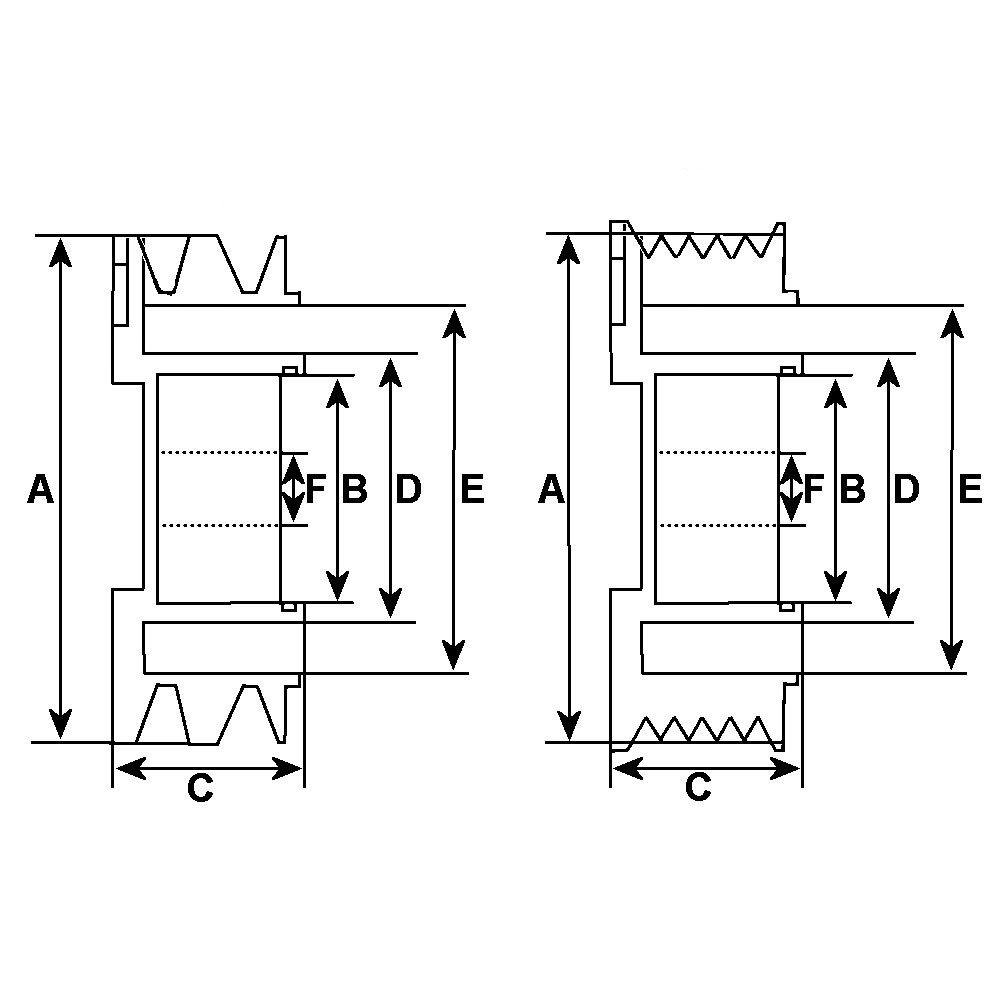
Maß 1. Spur 8.30, Abstand/Hinten 10.50, Freilauf Ohne, Spuren 4, Breite 23.50, Tiefe 8.40, Riemenscheibentyp Keilrippenriemenscheibe, Bohrung Durchmesser 17.00, Riementyp Multi riemen, Außendurchmesser 54.50